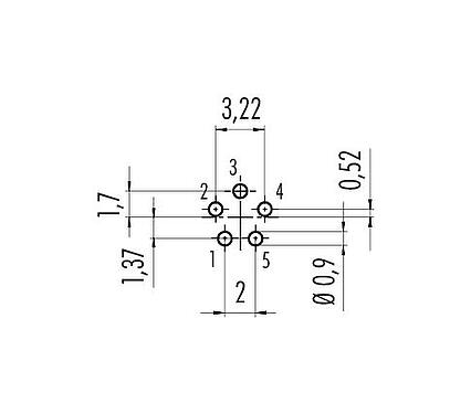
Part no.: 09 0098 72 05
M9 Female angled panel mount connector, Contacts: 5, unshielded, THT, IP40, Front mounting
M9 IP40, series 711, Subminiature Connectors
General features
Moreless| Part no. | 09 0098 72 05 |
| Connector design | Female angled panel mount connector |
| Version | Connector socket angled |
| Connector locking system | screw |
| Termination | THT |
| Degree of protection | IP40 |
| Temperature range from/to | -40 °C / 85 °C |
| Mechanical operation | > 500 Mating cycles |
| Weight (g) | 3.19 |
| Customs tariff number | 85369010 |
| Country of Origin | DE |
Electrical parameters
Moreless| Rated voltage | 125 V |
| Rated impulse voltage | 1500 V |
| Rated current | 3,0 A |
| Insulation resistance | ≥ 108 Ω |
| Pollution degree | 1 |
| Overvoltage category | II |
| Insulating material group | III |
| EMC compliance | unshielded |
Material
Moreless| Contact body material | PA (UL94 V-0) |
| Contact material | CuSn (bronze) |
| Contact plating | Au (gold) |
| REACH SVHC |
CAS 7439-92-1 (Lead) |
| SCIP number | 2c78ce18-a4b1-4e1e-96cd-31340a9b523e |
Classifications
Moreless| eCl@ss 11.1 | 27-44-01-09 |
| ETIM 9.0 | EC003569 |
Trade-Compliance
Moreless| Copper (9903.78.01) | 0.000184 kg |
Security notices
- The connector must not be plugged or unplugged under load. Non-observance and improper use can result in personal injury.
- The connectors have been developed for applications in plant engineering, control and electrical equipment construction. The user is responsible for checking whether the connectors can also be used in other areas of application.
- Connectors which are used in circuits with voltages dangerous to the touch may only be installed and used by, or under the supervision of, persons with electrical engineering training, taking into account the applicable regulations and standards.
- The user must take suitable safety precautions to ensure that the connector cannot be accidentally disconnected.
- Please observe the pollution degree and the overvoltage category. For further information, please refer to the download center "Technical Information".
Downloads
Data sheet
Data sheet 09 0098 72 05
download
REACH
09 0098 72 05
download
RoHS
09 0098 72 05
download
China RoHS
09 0098 72 05
download
EPLAN data
09 0098 72 05
download
Verify to download
Please complete the verification to proceed with the CAD download.
CAD files
Select required format





