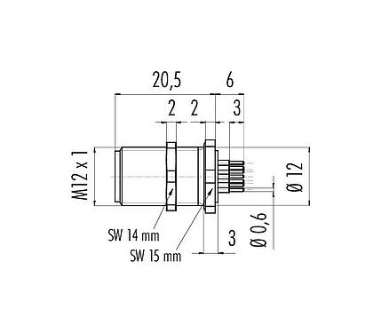
Part no.: 09 3491 969 12
M12 Male panel mount connector, Contacts: 12, unshielded, THT, IP68, M12x1.0, Rear mounting, potted
M12-A, series 763, Automation Technology - Sensors and Actuators
General features
Moreless| Part no. | 09 3491 969 12 |
| Connector design | Male panel mount connector |
| Type standard | DIN EN 61076-2-101 |
| Coding | A-coded |
| Version | Connector pin straight |
| Connector locking system | screw |
| Termination | THT |
| Degree of protection | IP68 |
| Mechanical operation | > 100 Mating cycles |
| Weight (g) | 9.44 |
| Customs tariff number | 85369010 |
| Country of Origin | DE |
Electrical parameters
Moreless| Rated voltage | 30 V |
| Rated impulse voltage | 500 V |
| Rated current | 1.5 A |
| Insulation resistance | > 108 Ω |
| Pollution degree | 3 |
| Overvoltage category | II |
| Insulating material group | III |
| EMC compliance | unshielded |
Material
Moreless| Housing material | Zinc die-cast nickel-plated |
| Contact body material | PA black |
| Contact material | CuZn (brass) |
| Contact plating | Au (gold) |
| REACH SVHC |
CAS 7439-92-1 (Lead) |
| SCIP number | 582b71c0-f061-4d0f-9143-c8382bf48564 |
Classifications
Moreless| ETIM 9.0 | EC003569 |
Security notices
- The connector must not be plugged or unplugged under load. Non-observance and improper use can result in personal injury.
- The connectors have been developed for applications in plant engineering, control and electrical equipment construction. The user is responsible for checking whether the connectors can also be used in other areas of application.
- To protect against unintentional opening of the connector, the thread between the housing and the connector head must be secured with a suitable cyanoacrylate adhesive when used in circuits with voltages dangerous to the touch. This does not apply to connectors used in SELV and PELV circuits according to IEC 61140 (EN 61140, VDE 0140-1).
- Connectors which are used in circuits with voltages dangerous to the touch may only be installed and used by, or under the supervision of, persons with electrical engineering training, taking into account the applicable regulations and standards.
- The user must take suitable safety precautions to ensure that the connector cannot be accidentally disconnected.
- Plug connectors with enclosure protection IP67 and IP68 are not suitable for use under water. When used outdoors, the plug connectors must be protected separately against corrosion. For further information on the IP protection classes, please refer to the "Technical Information" download centre.
- To lock the cable connector with the device connector, the threaded ring is tightened "hand-tight" (approx. 60 cNm).
- The user must take appropriate safety precautions to ensure that the connector cannot be accidentally disconnected. In addition, the user must ensure that the cable is suitably secured.
Downloads
Data sheet
Data sheet 09 3491 969 12
download
REACH
09 3491 969 12
download
RoHS
09 3491 969 12
download
China RoHS
09 3491 969 12
download
EPLAN data
09 3491 969 12
download
Verify to download
Please complete the verification to proceed with the CAD download.
CAD files
Select required format




