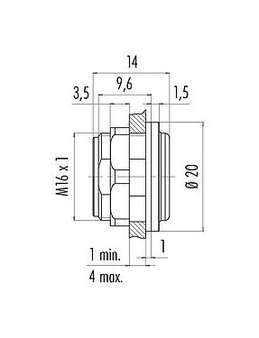
Part no.: 08 2629 000 001
Snap-In Adapter, unshielded, Rear mounting, screwable from the front
Snap-In IP67, series 620, Subminiature Connectors
General features
Moreless| Part no. | 08 2629 000 001 |
| Connector design | Adapter |
| Version | Adapter |
| Weight (g) | 4.02 |
| Customs tariff number | 85366990 |
Electrical parameters
Moreless| Pollution degree | 2 |
| EMC compliance | unshielded |
Material
Moreless| Housing material | PA |
| Contact body material | PA (UL94 V-0) |
| REACH SVHC |
CAS 7439-92-1 (Lead) |
| SCIP number | afa3e37b-2646-4be0-8d97-706c022b4b3b |
Classifications
Moreless| eCl@ss 11.1 | 27-44-02-08 |
| ETIM 9.0 | EC002638 |
Security notices
- The connector must not be plugged or unplugged under load. Non-observance and improper use can result in personal injury.
- The connectors have been developed for applications in plant engineering, control and electrical equipment construction. The user is responsible for checking whether the connectors can also be used in other areas of application.
- Connectors which are used in circuits with voltages dangerous to the touch may only be installed and used by, or under the supervision of, persons with electrical engineering training, taking into account the applicable regulations and standards.
- The user must take suitable safety precautions to ensure that the connector cannot be accidentally disconnected.
- Plug connectors with enclosure protection IP67 and IP68 are not suitable for use under water. When used outdoors, the plug connectors must be protected separately against corrosion. For further information on the IP protection classes, please refer to the "Technical Information" download centre.
- Please observe the pollution degree and the overvoltage category. For further information, please refer to the download center "Technical Information".
Downloads
Data sheet
Data sheet 08 2629 000 001
download
REACH
08 2629 000 001
download
RoHS
08 2629 000 001
download
China RoHS
08 2629 000 001
download
Verify to download
Please complete the verification to proceed with the CAD download.
CAD files
Select required format




