Menu
Back
  1. Products
  2. Power connectors
  3. RD24 Power
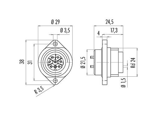
  4. RD24 Male panel mount connector, Contacts: 6+PE, unshielded, solder, IP67
Part no.: 09 0215 00 07

RD24 Male panel mount connector, Contacts: 6+PE, unshielded, solder, IP67

RD24, series 692, Power Connectors
Compare product
Downloads
General features
Moreless
Part no. 09 0215 00 07
Connector design Male panel mount connector
Version Connector pin straight
Connector locking system screw
Termination solder
Degree of protection IP67
Connection cross-section max. 0.75 mm² / AWG 18
Temperature range from/to -40 °C / 100 °C
Mechanical operation > 500 Mating cycles
Weight (g) 15.19
Customs tariff number 85369010
Country of Origin DE
Rated voltage 250 V
Rated impulse voltage 4000 V
Rated current 10.0 A
Insulation resistance ≥ 1010 Ω
Pollution degree 3
Overvoltage category III
Insulating material group III
EMC compliance unshielded
Contact body material PBT
Contact material CuZn (brass)
Contact plating Ag (silver)
REACH SVHC CAS 7439-92-1 (Lead)
SCIP number 996a7b9f-752f-4a61-9676-96593fcde632
eCl@ss 11.1 27-44-01-09
ETIM 9.0 EC003569
Copper (9903.78.01) 0.005570 kg
Security notices
  1. The connector must not be plugged or unplugged under load. Non-observance and improper use can result in personal injury.
  2. The connectors have been developed for applications in plant engineering, control and electrical equipment construction. The user is responsible for checking whether the connectors can also be used in other areas of application.
  3. Connectors which are used in circuits with voltages dangerous to the touch may only be installed and used by, or under the supervision of, persons with electrical engineering training, taking into account the applicable regulations and standards.
  4. The user must take suitable safety precautions to ensure that the connector cannot be accidentally disconnected.
  5. Please observe the pollution degree and the overvoltage category. For further information, please refer to the download center "Technical Information".
Downloads
Data sheet
Data sheet 09 0215 00 07
PDF
REACH
09 0215 00 07
PDF
RoHS
09 0215 00 07
PDF
China RoHS
09 0215 00 07
PDF
EPLAN data
09 0215 00 07

Verify to download

Please complete the verification to proceed with the CAD download.

CAD files
Select required format
RD24 Power
09 0215 00 07