Menu
Back
  1. Products
  2. Automation technology - Sensors and actuators
  3. M12-A
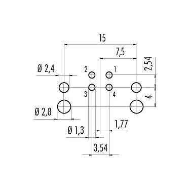
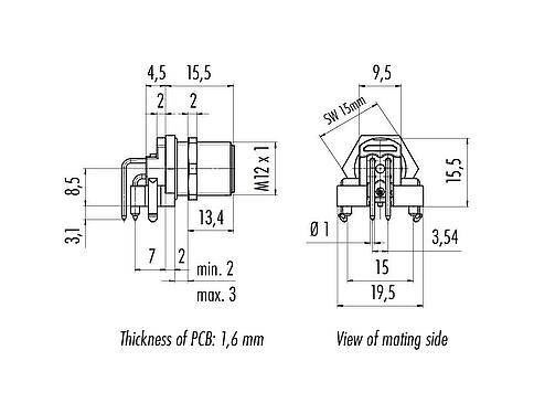
  4. M12 Male angled panel mount connector, Contacts: 4, unshielded, THR, IP68, UL 2238, Rear mounting, for PCB assembly, two-part design
Part no.: 99 3431 202 04

M12 Male angled panel mount connector, Contacts: 4, unshielded, THR, IP68, UL 2238, Rear mounting, for PCB assembly, two-part design

M12-A, series 763, Automation Technology - Sensors and Actuators
Available numbers of contacts
Compare product
Downloads
General features
Moreless
Part no. 99 3431 202 04
Connector design Male angled panel mount connector
Type standard DIN EN 61076-2-101
Coding A-coded
Version Connector pin angled
Connector locking system screw
Termination THR
Degree of protection IP68
Temperature range from/to -40 °C / 85 °C
Mechanical operation > 100 Mating cycles
Weight (g) 8.14
Customs tariff number 85369010
Country of Origin HU
Rated voltage 250 V
Rated impulse voltage 2500 V
Rated current 4 A (3 A UL)
Insulation resistance > 108 Ω
Pollution degree 3
Insulating material group III
EMC compliance unshielded
Housing material CuZn (Brass nickel plated)
Contact body material PA
Contact material CuZn (brass)
Contact plating Au (gold)
Locking material CuZn (brass)
REACH SVHC CAS 7439-92-1 (Lead)
SCIP number bbfdb955-7d8b-4203-a26f-238b6f8eaddd
Security notices
  1. The connector must not be plugged or unplugged under load. Non-observance and improper use can result in personal injury.
  2. The connectors have been developed for applications in plant engineering, control and electrical equipment construction. The user is responsible for checking whether the connectors can also be used in other areas of application.
  3. To protect against unintentional opening of the connector, the thread between the housing and the connector head must be secured with a suitable cyanoacrylate adhesive when used in circuits with voltages dangerous to the touch. This does not apply to connectors used in SELV and PELV circuits according to IEC 61140 (EN 61140, VDE 0140-1).
  4. Connectors which are used in circuits with voltages dangerous to the touch may only be installed and used by, or under the supervision of, persons with electrical engineering training, taking into account the applicable regulations and standards.
  5. The user must take suitable safety precautions to ensure that the connector cannot be accidentally disconnected.
  6. Plug connectors with enclosure protection IP67 and IP68 are not suitable for use under water. When used outdoors, the plug connectors must be protected separately against corrosion. For further information on the IP protection classes, please refer to the "Technical Information" download centre.
  7. To lock the cable connector with the device connector, the threaded ring is tightened "hand-tight" (approx. 60 cNm).
  8. The user must take appropriate safety precautions to ensure that the connector cannot be accidentally disconnected. In addition, the user must ensure that the cable is suitably secured.
Downloads
Data sheet
Data sheet 99 3431 202 04
PDF
Data sheet, Data sheet 99 3431 202 04
Certificates
UL certificate
PDF, 955.31 KB
REACH
99 3431 202 04
PDF
RoHS
99 3431 202 04
PDF
China RoHS
99 3431 202 04
PDF
EPLAN data
99 3431 202 04

Verify to download

Please complete the verification to proceed with the CAD download.

CAD files
Select required format
M12-A
99 3431 202 04