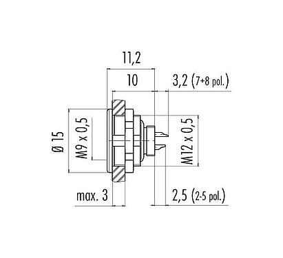
产品编号: 09 0424 00 07
M9 孔头法兰座, 极数: 7, 非屏蔽, 焊接, IP67, M12x0.5, 板前安装
M9 IP67, 系列 712, 超小型连接器
主要参数
更多折叠| 型号 | 09 0424 00 07 |
| 连接器样式 | 孔头法兰座 |
| 版本 | 直头孔头电缆连接器 |
| 连接器锁定装置 | 螺钉 |
| 接线方式 | 焊接 |
| 防护等级 | IP67 |
| 连接截面 | 0.14mm² / AWG 26 |
| 工作温度 | -40 °C / 85°C |
| 插拨次数 | > 500 插拔次数 |
| 重量 (gr) | 5.13 |
| 客户关税号 | 85369010 |
| 原产国 | DE |
电气参数
更多折叠| 额定电压 | 125V |
| 额定冲击电压 | 1500V |
| 额定电流 | 1.0A |
| 绝缘电阻 | ≥ 108 Ω |
| 污染等级 | 1 |
| 过压类别 | II |
| 材料组 | III |
| EMV合规性 | 非屏蔽 |
材料
更多折叠| 接触体材料 | PA (UL94V-0) |
| 接触材料 | 铜锡(铜牌) |
| 接触面 | Au (金) |
| REACH SVHC |
CAS 7439-92-1 (Lead) |
| 存在 PFAS | 1cc1d884-e0cd-4b9b-8f7c-4fdd99ac32a2 |
分类
更多折叠| eCl@ss 11.1 | 27-44-01-09 |
| ETIM 9.0 | EC003569 |
安全提示
- 连接器在负载下不得插拔。不遵守和使用不当会造成人身伤害。
- 连接器的开发是为了应用于工厂工程、控制和电气设备建设。用户有责任检查连接器是否也能用于其他领域的应用。
- 外壳防护等级为IP67和IP68的插头连接器不适合在水中使用。在室外使用时,插头连接器必须单独进行防腐蚀保护。有关IP保护等级的进一步信息,请参见 "技术信息 "下载中心。
下载
技术参数
技术参数 09 0424 00 07
下载
REACH
09 0424 00 07
下载
RoHS
09 0424 00 07
下载
China RoHS
09 0424 00 07
下载
EPLAN数据
09 0424 00 07
下载
验证后下载
请完成验证以继续CAD下载。
CAD 数据
选择您喜欢的格式



