产品编号: 99 5671 750 08
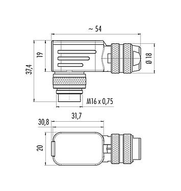
M16 弯角针头电缆连接器, 极数: 8 (08-a), 6.0-8.0mm, 可接屏蔽, 压接(压接触点必须单独订购), IP67, UL 2238
M16 IP67, 系列 423, 小型连接器
主要参数
更多折叠| 型号 | 99 5671 750 08 |
| 连接器样式 | 弯角针头电缆连接器 |
| Type standard | DIN EN 61076-2-106 |
| 版本 | 弯角针头电缆连接器 |
| 连接器锁定装置 | 螺钉 |
| 接线方式 | 压接(压接触点必须单独订购) |
| 防护等级 | IP67 |
| 连接截面 | 0.14-0.75mm² / AWG 26-20 |
| 电缆出口直径 | 6.0-8.0mm |
| 扭曲性 | 90°(4种编码选择) |
| 工作温度 | -40 °C / 100°C |
| 插拨次数 | > 500 插拔次数 |
| 重量 (gr) | 58.82 |
| 客户关税号 | 85369010 |
| 原产国 | DE |
电气参数
更多折叠| 额定电压 | 60V |
| 额定冲击电压 | 500V |
| 额定电流 | 5.0A |
| 绝缘电阻 | ≥ 1010 Ω |
| 污染等级 | 1 |
| 过压类别 | I |
| 材料组 | III |
| EMV合规性 | 可接屏蔽 |
| 屏蔽连接 | 屏蔽环 |
材料
更多折叠| 外壳材料 | 铜锌 (镀镍黄铜) |
| 接触体材料 | PBT (UL94V-0) |
| 接触材料 | 铜锡(铜牌) |
| 接触面 | Ag (银) |
| REACH SVHC |
CAS 7439-92-1 (Lead) |
| 存在 PFAS | 4f29f503-c430-4a59-9cb2-8b31a878359a |
授权/批准
更多折叠| 批准书 | UL 2238 |
分类
更多折叠| eCl@ss 11.1 | 27-44-01-02 |
| ETIM 9.0 | EC002635 |
符合性声明
更多折叠| 低电压指令 | EN 60529:1991 | EN 60204-1:2018 |
Trade-Compliance
更多折叠| Copper (9903.78.01) | 0.000321 kg |
安全提示
- 连接器在负载下不得插拔。不遵守和使用不当会造成人身伤害。
- 连接器的开发是为了应用于工厂工程、控制和电气设备建设。用户有责任检查连接器是否也能用于其他领域的应用。
- 为防止意外打开连接器,当使用在有触碰危险的电压的电路中时,必须用合适的氰基丙烯酸酯粘合剂将外壳和连接器头之间的螺纹固定。这不适用于符合IEC 61140 (EN 61140, VDE 0140-1)的SELV和PELV电路中使用的连接器。
- 用于有触电危险电压的电路中的连接器,只能由受过电气工程培训的人员安装和使用,或在其监督下安装和使用,同时考虑到适用的规定和标准。
- 用户必须采取适当的安全防范措施,以确保连接器不能意外断开
- 外壳防护等级为IP67和IP68的插头连接器不适合在水中使用。在室外使用时,插头连接器必须单独进行防腐蚀保护。有关IP保护等级的进一步信息,请参见 "技术信息 "下载中心。
- 请观察污染程度和过电压类别。更多信息请参考下载中心 "技术资料"。
- 为了将电缆接头与设备接头锁紧,螺纹环要用 "手拧紧"(约60 cNm)。
下载
技术参数
技术参数 99 5671 750 08
下载
认证
UL认证
下载
REACH
99 5671 750 08
下载
RoHS
99 5671 750 08
下载
China RoHS
99 5671 750 08
下载
CE 符合性声明
低电压指令
下载
UKCA 符合性声明
电气设备
下载
压接触头和附件
配件数据表
下载
验证后下载
请完成验证以继续CAD下载。
CAD 数据
选择您喜欢的格式


