产品编号: 86 6319 1121 00004
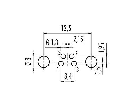
M8 针头法兰座, 极数: 4, 可接屏蔽, THT, IP67, UL 2238, M8x1.0, 後壁安裝
M8, 系列 718, 自动化技术.传感器和执行器
主要参数
更多折叠| 型号 | 86 6319 1121 00004 备选部件号: 09 3421 82 04
     | 
| 概述 | 
      
    
        请注意:在产品的老型号与新型号转换过程中, 技术规格上可能有微小的变化,详细情况请联系我们的客户,联系方式见网站右上方“联系我们”.
      
  
    更多 | 
| 连接器样式 | 针头法兰座 | 
| Type standard | DIN EN 61076-2-104 | 
| 编码 | A扣连接器 | 
| 版本 | 弯角针头电缆连接器 | 
| 连接器锁定装置 | 螺钉/插拔式 | 
| 接线方式 | THT | 
| 防护等级 | IP67 | 
| 工作温度 | -40 °C / 85°C | 
| 插拨次数 | > 100 插拔次数 | 
| 重量 (gr) | 4.97 | 
| 客户关税号 | 85369010 | 
| 原产国 | DE | 
电气参数
更多折叠| 额定电压 | 50V (AC)/60V (DC) | 
| 额定冲击电压 | 800V | 
| 额定电流 | 4.0A | 
| 污染等级 | 3 | 
| 过压类别 | II | 
| 材料组 | II | 
| EMV合规性 | 可接屏蔽 | 
| 屏蔽连接 | 屏蔽片 | 
材料
更多折叠| 外壳材料 | 壓鑄鋅, 鎳 | 
| 接触体材料 | PA 黑色 | 
| 接触材料 | 铜锌 (黄铜) | 
| 接触面 | Au (金) | 
| REACH SVHC | CAS 7439-92-1 (Lead) | 
| 存在 PFAS | 584d34d7-0071-4822-90bc-e543b5f198ee | 
授权/批准
更多折叠| 批准书 | UL 2238 | 
分类
更多折叠| eCl@ss 11.1 | 27-44-01-09 | 
| ETIM 9.0 | EC003569 | 
安全提示
- 连接器在负载下不得插拔。不遵守和使用不当会造成人身伤害。
- 连接器的开发是为了应用于工厂工程、控制和电气设备建设。用户有责任检查连接器是否也能用于其他领域的应用。
- 用于有触电危险电压的电路中的连接器,只能由受过电气工程培训的人员安装和使用,或在其监督下安装和使用,同时考虑到适用的规定和标准。
- 用户必须采取适当的安全防范措施,以确保连接器不能意外断开
- 外壳防护等级为IP67和IP68的插头连接器不适合在水中使用。在室外使用时,插头连接器必须单独进行防腐蚀保护。有关IP保护等级的进一步信息,请参见 "技术信息 "下载中心。
- 请观察污染程度和过电压类别。更多信息请参考下载中心 "技术资料"。
- 为了将电缆接头与设备接头锁紧,螺纹环要用 "手拧紧"(约50 cNm)。






