产品编号: 77 3708 0000 20008-0200
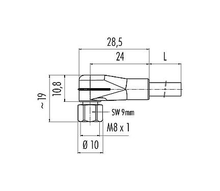
M8 弯角孔头电缆连接器, 极数: 8, 非屏蔽, 预铸电缆, IP67/IP69K, UL 2238, PVC, 灰色, 8x0.25mm², 不锈钢, 2m
M8, 系列 718, 自动化技术.传感器和执行器
主要参数
更多折叠| 型号 | 77 3708 0000 20008-0200 |
| 连接器样式 | 弯角孔头电缆连接器 |
| Type standard | DIN EN 61076-2-104 |
| 编码 | A扣连接器 |
| 电缆长度 | 2m (标准长度为 2 米和 5 米 可根据要求提供其他长度) |
| 版本 | 弯角孔头电缆连接器 |
| 连接器锁定装置 | 螺钉 |
| 接线方式 | 预铸电缆 |
| 防护等级 | IP67/IP69K |
| 连接截面 | 0.25mm² / AWG 24 |
| 工作温度 | -25 °C / 85°C |
| 插拨次数 | > 100 插拔次数 |
| 重量 (gr) | 222.02 |
| 客户关税号 | 85444290 |
| 原产国 | DE |
电气参数
更多折叠| 额定电压 | 30V |
| 额定冲击电压 | 800V |
| 额定电流 | 1.5A |
| 污染等级 | 3 |
| 过压类别 | II |
| 材料组 | II |
| EMV合规性 | 非屏蔽 |
材料
更多折叠| 外壳材料 | PUR |
| 接触体材料 | PUR |
| 接触材料 | 铜锡(铜牌) |
| 接触面 | Au (金) |
| 锁紧材料 | 不锈钢 |
| REACH SVHC |
CAS 7439-92-1 (Lead) |
| 存在 PFAS | 6cf01141-62a4-459a-8c8e-46ccd3fe5b80 |
电缆数据
更多折叠| 电缆的结构 | |
| 电缆直径 | 6.0 mm |
| 横截面 | 8x0.25mm² |
| 外壳材料 | PVC |
| 绝缘单管线 | PVC |
| 软线构造 | 32x0.10mm |
| 电缆颜色 | 灰色 |
| 电性能 | |
| 导线电阻 | 79 Ω/Km (20°C) |
| 机械性能 | |
| 固定电缆弯曲半径 | ≥ 5xØ |
| 可移动电缆弯曲半径 | ≥ 10xØ |
| 挠曲周期 | > 200万 |
| 允许的加速度 | 最高 5米/s²+1米/s² |
| 水平位移 | 5米/s² -> 5米 |
| 垂直位移 | 5米/s² -> 2米 |
| 位移速度 | 在5米的水平路徑上 -> 200米/分钟 |
| 热性能 | |
| 电缆移动温度范围从…到… | -5 °C / 105°C |
| 电缆固定温度范围从…到… | -40 °C / 105°C |
| 其他特点 | |
| 無鹵素 | 不 |
授权/批准
更多折叠| 批准书 | UL 2238 |
分类
更多折叠| eCl@ss 11.1 | 27-06-03-11 |
| ETIM 9.0 | EC002638 |
符合性声明
更多折叠| RoHS 指令 | EN IEC 63000:2018 |
安全提示
- 连接器在负载下不得插拔。不遵守和使用不当会造成人身伤害。
- 连接器的开发是为了应用于工厂工程、控制和电气设备建设。用户有责任检查连接器是否也能用于其他领域的应用。
- 为防止意外打开连接器,当使用在有触碰危险的电压的电路中时,必须用合适的氰基丙烯酸酯粘合剂将外壳和连接器头之间的螺纹固定。这不适用于符合IEC 61140 (EN 61140, VDE 0140-1)的SELV和PELV电路中使用的连接器。
- 用于有触电危险电压的电路中的连接器,只能由受过电气工程培训的人员安装和使用,或在其监督下安装和使用,同时考虑到适用的规定和标准。
- 用户必须采取适当的安全防范措施,以确保连接器不能意外断开
- 外壳防护等级为IP67和IP68的插头连接器不适合在水中使用。在室外使用时,插头连接器必须单独进行防腐蚀保护。有关IP保护等级的进一步信息,请参见 "技术信息 "下载中心。
- 请观察污染程度和过电压类别。更多信息请参考下载中心 "技术资料"。
- 为了将电缆接头与设备接头锁紧,螺纹环要用 "手拧紧"(约40 cNm)。



