产品编号: 79 5238 10 04
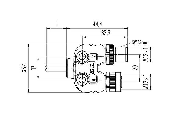
M12 双分线盒,Y 型分配器, 极数: 4, 非屏蔽, 预铸电缆, IP68, UL 2238, PUR, 黑色, 4x0.25mm², 1m
M12/M8 双端线缆组, 系列 765, 自动化技术.传感器和执行器
主要参数
更多折叠| 型号 | 79 5238 10 04 |
| 连接器样式 | 双分线盒,Y 型分配器 |
| Type standard | DIN EN 61076-2-101 |
| 编码 | A扣连接器 |
| 电缆长度 | 1m (标准长度为 1 米和 2 米。可根据要求提供其他长度) |
| 版本 | 双路分配器 |
| 连接器锁定装置 | 螺钉 |
| 接线方式 | 预铸电缆 |
| 防护等级 | IP68 |
| 连接截面 | 0.25mm² / AWG 24 |
| 工作温度 | -25 °C / 85°C |
| 插拨次数 | > 100 插拔次数 |
| 重量 (gr) | 52.00 |
| 客户关税号 | 85444290 |
| 原产国 | DE |
电气参数
更多折叠| 额定电压 | 250V |
| 额定冲击电压 | 2500V |
| 额定电流 | 4.0A |
| 污染等级 | 3 |
| 过压类别 | II |
| 材料组 | II |
| EMV合规性 | 非屏蔽 |
材料
更多折叠| 外壳材料 | PUR |
| 接触体材料 | PUR |
| 接触材料 | 铜锌 (黄铜)/铜锡(铜牌) |
| 接触面 | Au (金) |
| 锁紧材料 | 壓鑄鋅, 鎳 |
| REACH SVHC |
None (No pollutants) |
| 存在 PFAS | SCIP-number not available |
电缆数据
更多折叠| 电缆的结构 | |
| 电缆直径 | 4.5 mm |
| 横截面 | 4x0.25mm² |
| 外壳材料 | PUR |
| 绝缘单管线 | PVC |
| 软线构造 | 32x0.10mm |
| 电缆颜色 | 黑色 |
| 机械性能 | |
| 固定电缆弯曲半径 | 5xØ |
| 可移动电缆弯曲半径 | 10xØ |
| 挠曲周期 | 200万 |
| 允许的加速度 | 5米/s² |
| 水平位移 | 5米 |
| 位移速度 | ≤ 200米/分钟 |
| 热性能 | |
| 电缆移动温度范围从…到… | -20 °C / 90°C |
| 电缆固定温度范围从…到… | -40 °C / 90°C |
| 其他特点 | |
| 無鹵素 | 不 |
授权/批准
更多折叠| 批准书 | UL 2238 |
分类
更多折叠| eCl@ss 11.1 | 27-06-03-11 |
| ETIM 9.0 | EC002638 |
符合性声明
更多折叠| 低电压指令 | EN 60529:1991 | EN 60204-1:2018 |
| RoHS 指令 | EN IEC 63000:2018 |
安全提示
- 连接器在负载下不得插拔。不遵守和使用不当会造成人身伤害。
- 连接器的开发是为了应用于工厂工程、控制和电气设备建设。用户有责任检查连接器是否也能用于其他领域的应用。
- 用于有触电危险电压的电路中的连接器,只能由受过电气工程培训的人员安装和使用,或在其监督下安装和使用,同时考虑到适用的规定和标准。
- 用户必须采取适当的安全防范措施,以确保连接器不能意外断开
- 外壳防护等级为IP67和IP68的插头连接器不适合在水中使用。在室外使用时,插头连接器必须单独进行防腐蚀保护。有关IP保护等级的进一步信息,请参见 "技术信息 "下载中心。
- 请观察污染程度和过电压类别。更多信息请参考下载中心 "技术资料"。
- 为了将电缆接头与设备接头锁紧,螺纹环要用 "手拧紧"(约60 cNm)。
下载




