产品编号: 76 2942 0136 00034-0200
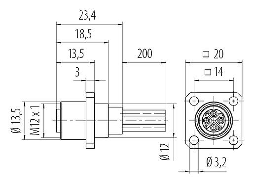
M12 孔头方型法兰座, 极数: 4, 非屏蔽, 带导线, IP40, UL 2238, M3 (4x), 板前安装
M12-S, 系列 814, 自动化技术。电压和电源供应
主要参数
更多折叠| 型号 |
76 2942 0136 00034-0200
备选部件号: 09 0692 070 04
|
| 概述 |
请注意:在产品的老型号与新型号转换过程中, 技术规格上可能有微小的变化,详细情况请联系我们的客户,联系方式见网站右上方“联系我们”.
更多 |
| 连接器样式 | 孔头方型法兰座 |
| Type standard | DIN EN IEC 61076-2-111:2018-10;VDE 0687-76-2-111:2018-10 |
| 编码 | S扣连接器 |
| 线长 | 0.2m (标准长度 0.2 米(可根据要求提供其他长度) |
| 版本 | 直头孔头电缆连接器 |
| 连接器锁定装置 | 螺钉 |
| 接线方式 | 带导线 |
| 防护等级 |
IP40 IP67带密封圈,见附件 |
| 连接截面 | 1.50mm² / AWG 16 |
| 工作温度 | -40 °C / 85°C |
| 插拨次数 | > 100 插拔次数 |
| 重量 (gr) | 27.02 |
| 客户关税号 | 85369010 |
| 原产国 | DE |
电气参数
更多折叠| 额定电压 | 630V |
| 额定冲击电压 | 6000V |
| 额定电流 | 12.0A |
| 污染等级 | 3 |
| 过压类别 | III |
| 材料组 | II |
| EMV合规性 | 非屏蔽 |
材料
更多折叠| 接触体材料 | PA |
| 接触材料 | 铜锡(铜牌) |
| 接触面 | Au (金) |
| REACH SVHC |
CAS 7439-92-1 (Lead) |
| 存在 PFAS | 1c137063-29a4-4d89-85c8-6e03b385fc6b |
关于绞合线数据
更多折叠| 导线结构 | |
| 横截面积 (mm²) | 4x1.50mm² |
| 横截面积 (AWG) | 4xAWG 16 |
| 线径 | 2,3 mm |
| 线色 |
黄色/绿色 黑色 |
| 护套材料 | mPPE |
| 线材材料 | 镀锡铜 |
| 导线结构 | 40x0.210mm |
| 电气性能 | |
| 额定电压 | 1000V |
| 额定冲击电压 | 3000V |
| 导线电阻 | 14,6 Ω/Km (20°C) |
| 绝缘电阻 | 20.0 MΩ/Km (20 °C) |
| 热性能 | |
| 温度范围线在移动从/到(°C) | -10 °C / 105°C |
| 温度范围线固定值从/至(°C) | -40 °C / 105°C |
授权/批准
更多折叠| 批准书 | UL 2238 |
分类
更多折叠| eCl@ss 11.1 | 27-44-01-09 |
| ETIM 9.0 | EC003569 |
安全提示
- 连接器在负载下不得插拔。不遵守和使用不当会造成人身伤害。
- 连接器的开发是为了应用于工厂工程、控制和电气设备建设。用户有责任检查连接器是否也能用于其他领域的应用。
- 用于有触电危险电压的电路中的连接器,只能由受过电气工程培训的人员安装和使用,或在其监督下安装和使用,同时考虑到适用的规定和标准。
- 用户必须采取适当的安全防范措施,以确保连接器不能意外断开
- 外壳防护等级为IP67和IP68的插头连接器不适合在水中使用。在室外使用时,插头连接器必须单独进行防腐蚀保护。有关IP保护等级的进一步信息,请参见 "技术信息 "下载中心。
- 请观察污染程度和过电压类别。更多信息请参考下载中心 "技术资料"。
- 为了将电缆接头与设备接头锁紧,螺纹环要用 "手拧紧"(约60 cNm)。
- 如果是带有金属螺纹环的电缆连接器,必须确保与设备连接器的PE保护触点连接。不允许在没有连接到PE触点的设备连接器之间连接电缆。用户必须确保保护接地线的连续连接。
下载
技术参数
技术参数 76 2942 0136 00034-0200
下载
认证
UL认证
下载
REACH
76 2942 0136 00034-0200
下载
RoHS
76 2942 0136 00034-0200
下载
China RoHS
76 2942 0136 00034-0200
下载
验证后下载
请完成验证以继续CAD下载。
CAD 数据
选择您喜欢的格式



