产品编号: 09 5287 00 08
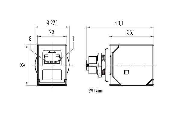
M12 用于穿控制柜, 孔头连接器-RJ45 直角, 极数: 8, 屏蔽, 插拔式, IP67, UL, 後壁安裝
M12-X, 系列 825, 自动化技术-数据传输
主要参数
更多折叠| 型号 | 09 5287 00 08 |
| 连接器样式 | 用于穿控制柜, 孔头连接器-RJ45 直角 |
| 编码 | X扣连接器 |
| 版本 | 控制柜穿板连接器 |
| 连接器锁定装置 | 螺钉 |
| 接线方式 | 插拔式 |
| 防护等级 |
IP67 IP20 |
| 工作温度 | -40 °C / 85°C |
| 插拨次数 | > 100 插拔次数 |
| 重量 (gr) | 32.83 |
| 客户关税号 | 85369010 |
| 原产国 | DE |
电气参数
更多折叠| 额定电压 | 50V (AC)/60V (DC) |
| 额定冲击电压 | 800V |
| 额定电流 | 0.5A |
| 绝缘电阻 | > 108 Ω |
| 污染等级 | 3 |
| 传输率 | CAT 6A |
| 过压类别 | II |
| 材料组 | III |
| EMV合规性 | 屏蔽 |
材料
更多折叠| 外壳材料 | 黄铜镀镍/锌压铸镀镍 |
| 接触体材料 | PA |
| 接触材料 | 铜锡(铜牌) |
| 接触面 | Au (金) |
| REACH SVHC |
CAS 7439-92-1 (Lead) |
| 存在 PFAS | 9b303f9a-9985-4354-9779-b41b68e97169 |
授权/批准
更多折叠| 批准书 | UL |
分类
更多折叠| eCl@ss 11.1 | 27-44-01-09 |
| ETIM 9.0 | EC003569 |
符合性声明
更多折叠| RoHS 指令 | EN IEC 63000:2018 |
安全提示
- 连接器在负载下不得插拔。不遵守和使用不当会造成人身伤害。
- 连接器的开发是为了应用于工厂工程、控制和电气设备建设。用户有责任检查连接器是否也能用于其他领域的应用。
- 用于有触电危险电压的电路中的连接器,只能由受过电气工程培训的人员安装和使用,或在其监督下安装和使用,同时考虑到适用的规定和标准。
- 用户必须采取适当的安全防范措施,以确保连接器不能意外断开
- 外壳防护等级为IP67和IP68的插头连接器不适合在水中使用。在室外使用时,插头连接器必须单独进行防腐蚀保护。有关IP保护等级的进一步信息,请参见 "技术信息 "下载中心。
- 请观察污染程度和过电压类别。更多信息请参考下载中心 "技术资料"。
- 为了将电缆接头与设备接头锁紧,螺纹环要用 "手拧紧"(约60 cNm)。
下载



